• Qualität seit 1956
  • Hauseigene Meister Reparaturwerkstatt
  • Versand von Lagerware am selben Tag bei Bestellung bis 15 Uhr
Zur Startseite wechseln

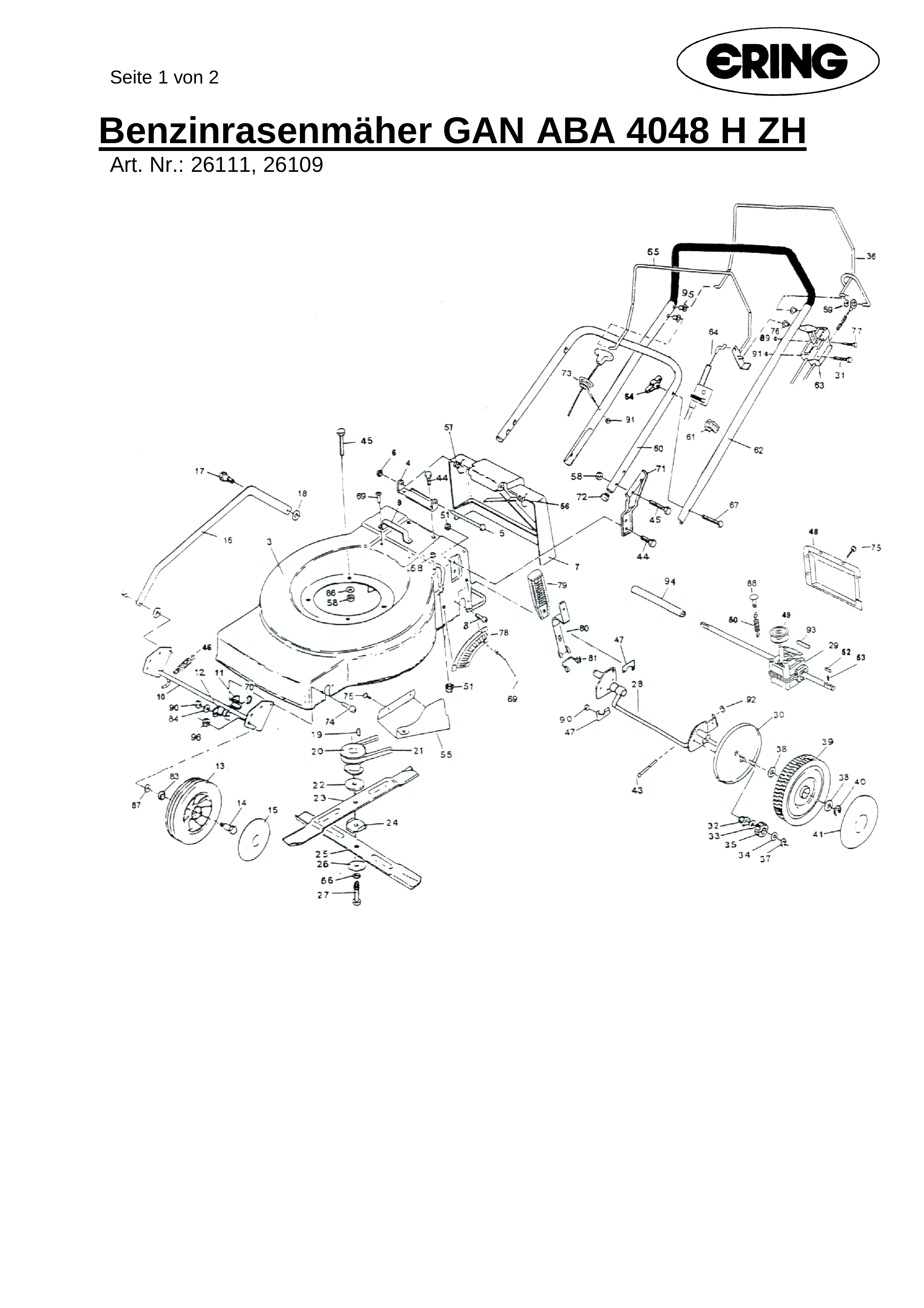
Kupplungszug m. Feder komplett

Zur Produktbeschreibung

Kupplungszug m. Feder komplett

37,96 €*

Produktnummer: E75650

Kupplungszug m. Feder komplett

Produktinformationen "Kupplungszug m. Feder komplett"

Technische Details & Kompatibilität

Produktart Kupplungszug / Bowdenzug
Hersteller Ering
Hersteller-Artikelnummer E75650
Kompatibilität Für diverse klassische Ering Rasenmäher

Wichtig: Bitte überprüfen Sie vor dem Kauf anhand Ihrer Ersatzteilzeichnung, ob diese Artikelnummer für Ihr spezifisches Modell korrekt ist.

Produktnummer: E75650
Eigenschaften
Bowdenzug: 1300 mm

Immer auf dem neusten Stand

Bleiben Sie auf dem Laufenden mit den neuesten Innovationen und Angeboten von Ering! Melden Sie sich jetzt zu unserem Newsletter an und erhalten Sie exklusive Einblicke und Tipps direkt in Ihr Postfach.